工信部重要通知!
日期:2024-02-22
栏目:新闻动态
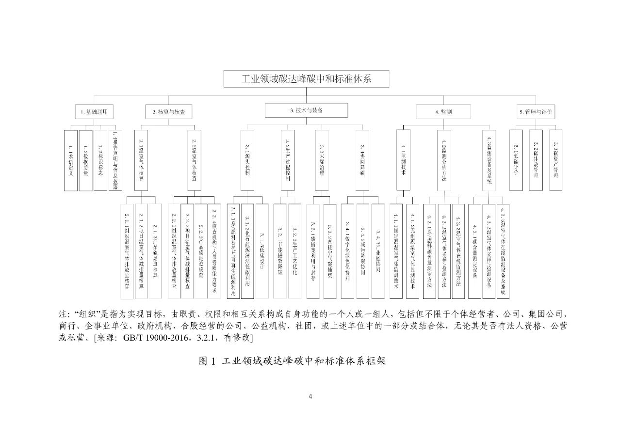
2月21日,工信部发布《关于印发工业领域碳达峰碳中和标准体系建设指南的通知》。
其中指出,到2025年,初步建立工业领域碳达峰碳中和标准体系,制定200项以上碳达峰急需标准,重点制定基础通用、温室气体核算、低碳技术与装备等领域标准,为工业领域开展碳评估、降低碳排放等提供技术支撑。到2030年,形成较为完善的工业领域碳达峰碳中和标准体系,加快制定协同降碳、碳排放管理、低碳评价类标准,实现重点行业重点领域标准全覆盖,支撑工业领域碳排放全面达峰,标准化工作重点逐步向碳中和目标转变。
以下为原文

工信厅科〔2024〕7号
各省、自治区、直辖市工业和信息化主管部门,有关行业协会、标准化技术组织和专业机构:
为切实发挥标准对工业领域碳达峰碳中和的支撑和引领作用,工业和信息化部依据《新产业标准化领航工程实施方案(2023-2035年)》《工业领域碳达峰实施方案》《建立健全碳达峰碳中和标准计量体系实施方案》等,组织编制了《工业领域碳达峰碳中和标准体系建设指南》。现印发给你们,请结合本地区、本行业、本领域实际,在标准化工作中贯彻执行。
工业和信息化部办公厅
2024年2月4日






































文章来源:“中国能源报”公众号